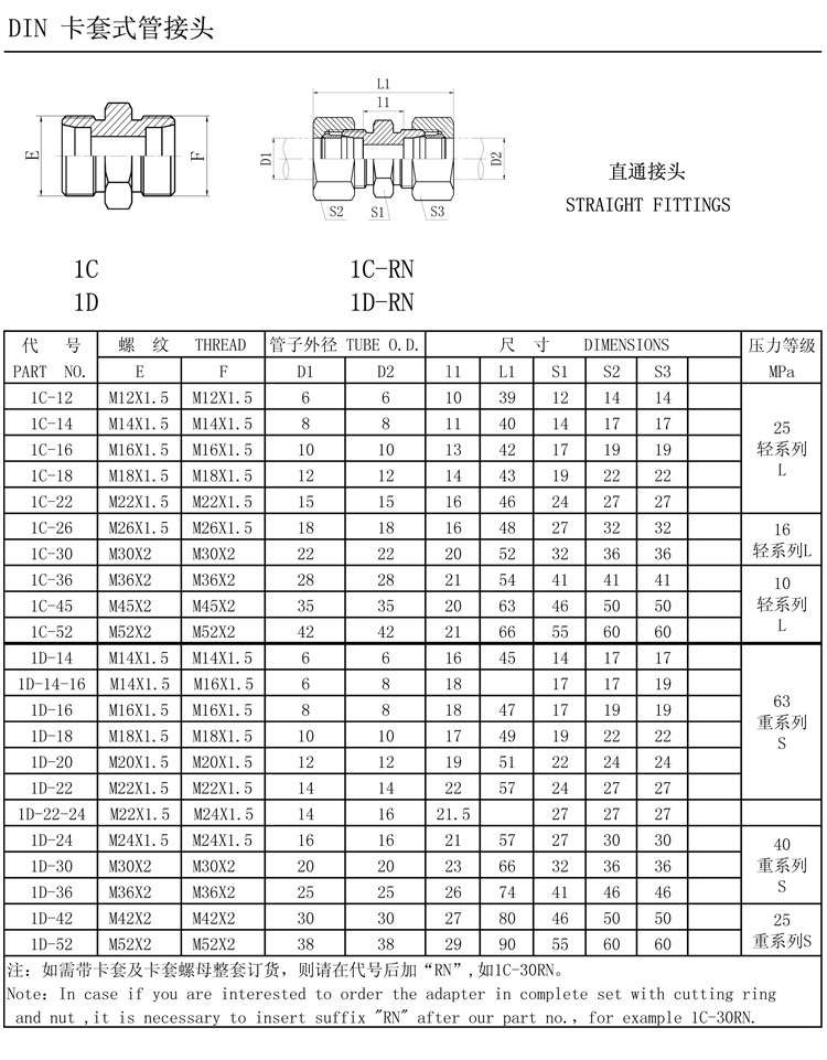
卡套式管接頭標準手冊,卡套式管接頭標準
803英寸80mm管徑7620mm外徑×320mm,75803英寸100mm管徑100mm外徑,對應4英寸以上規格提供了一個全面的卡套式管接頭選擇范圍,可根據實際應用選擇合適的型號;卡套式管接頭有國家標準,舊國標為GB3733GB3765183,新國標為GBT3733GBT37652008,卡套接頭材料一般為碳鋼,如果需要不銹鋼材料可以直接和供貨廠家訂貨時說明就行了供貨廠家浙江海鹽管件廠。
1 A系列尺寸接管直徑為14224毫米,外徑為1745毫米,中心距離為1651毫米,螺栓孔直徑為Φ48*48,法蘭厚度為1223毫米,法蘭頸長度為1457毫米,整體高度為227毫米2 B系列尺寸接管直徑為14254毫米,外徑為1600毫米,中心距離為1543毫米,螺栓孔直徑為Φ33*60,法蘭厚度為716毫米,法蘭頸長度;從提問上看好象是想問使用卡套時,鋼管插入深度,這問題似乎沒多大意思,因為深度是在接頭與卡套設計時已經限定的,接頭標準可見ISO84341,卡套可見GBT37642008因此我認為是問卡套預裝時鋼管直段是否有要求,回答是有的,這主要是考慮操作干涉及彎管變形等因素,一般在專業生產廠商樣本上都會定義,如福。
4裝上卡套接頭螺母并注意方向5抓住管件并使端面抵住接頭體臺階6把卡套接頭畫上記號,并擰緊螺母7保證管件不跟轉,擰13~15轉8卸下螺母并檢查卡套切入情況9卡套接頭預裝后再裝配時,從手感到擰緊力矩突然增加,再擰600~900卡套式管接頭由三部分組成接頭體卡套。
卡套式管接頭脫落的原因
GB國標ASTM不銹鋼卡套管的標準是GB國標ASTM,生產標準產品檢測都需要核對不銹鋼卡套管是不銹鋼材質的卡套管接頭,卡套式管接頭是一種管道連接元件,適用于油氣及一般腐蝕介質的管路系統,工作壓力1640PMa。
氣管接頭具有結構先進性能良好使用方便不用焊接不必將配管擴口等一系列優點,因此,卡套式管接頭已廣泛應用于各類機械的液壓氣動系統中分類 接頭一般分兩種,塑料接頭和金屬接頭,塑料接頭的生產成本低些,制作工藝簡單些,同時耐壓也只有1兆帕,金屬接頭因制作工藝復雜,使用材料要求高,所以要貴。

要了解水管接頭規格,大家首先要知道什么是水管接頭水管接頭,簡單來講其實就是用來連接兩根水管的一個小部件不過,這個零件雖然個頭小,卻發揮著非常關鍵的作用按照它們的使用方式,可以將水管接頭分為外螺紋端接式水管接頭卡套式水管接頭自固式水管接頭這三大類如果按照它們的制作材質,則可以。

拓展凈水器接頭,有快速接頭和普通接頭,都可以用來連接水管的一種部件水管接頭按使用方式可分為外螺紋端接式水管接頭卡套式水管此圖為快速接頭卡套式水管接頭能將無螺紋的鋼管與軟管連接,省卻套絲工序,只需將螺絲旋入即可結構緊密,強度高自固式水管接頭能將無螺紋的鋼管或無螺紋的。
國家標準中的最大直徑為DN100,壁厚沒有限制,因為卡套式密封靠的的管子的外徑。
不銹鋼卡套式管接頭的工作原理 不銹鋼卡套式管接頭是一種常用的管道連接器它由兩個卡套和一個密封環組成當兩個管道通過卡套連接時,密封環被壓縮,形成一個嚴密的密封這種連接方式可以有效地避免漏水現象的發生這種接頭適用于不同種類和不同規格的管道連接,具有安裝簡便維修方便等優點不銹鋼卡。
在我們日常生活中,我們每天都需要喝水但是你知道什么是水管接頭嗎?水管接頭就是用來連接水與水管接頭的,水管接頭按使用方式可分為外螺紋端接式水管接頭卡套式水管其實,水管接頭在我們每個人生活當中都會接觸到的,你可別小看這個接頭,如果規格挑選的不正確的話,以后就會給大家的使用帶來一系列的。
卡套式管接頭安裝視頻
卡套式管接頭主要由具有24度錐形孔的接頭體帶尖銳內刃的卡套和起壓緊作用的壓緊螺母3三部分組成旋緊螺母3時,卡套2被推進24度的錐孔中并隨之變形,使卡套與接頭體內錐面形成球面接觸密封同時,卡套的內刃口嵌入鋼管4的外壁,在外壁上壓出一個環行凹槽,從而起到可靠密封的作用鋼管最好。
金屬接頭采用鋅合金材料壓鑄而成,表面鍍鋅磨沙或鍍鉻結構緊密,強度高鋼管與金屬軟管連接可靠,外表美觀此金屬接頭為卡套式,用來將金屬軟管連接于不帶螺紋的鋼管之上適配金屬軟管JS型JSH型JSB型JSHG型適配鋼管薄鋼電線管黑白鐵管水煤氣管選用DKJ卡套式金屬接頭時。
1首先查看接頭本身或包裝上的標識,以了解其適用的管道尺寸范圍2使用卷尺或其他測量工具,測量管道的外徑確保將測量工具緊貼于管道外表面,準確測量3根據測量得到的管道外徑,參考卡套式管接頭的規格表規格表通常會列出接頭適用的管道尺寸范圍,以及與之相對應的標識4將測量得到的管道外徑。
卡套式管接頭主要包括三個部分具有24°錐孔的接頭體帶有尖銳的卡套起壓緊作用的螺母一般在旋緊螺母的時候卡套會在壓力的作用下被按進24°錐孔中并且隨之改變形狀,以達到卡套與接頭體密封的效果同時卡套會在管道外壁壓出一個環形的閉口緣邊,從而起到牢靠封閉的作用,卡套的中部有一些拱起。
免責聲明: 本站提供的任何內容版權均屬于相關版權人和權利人,如有侵犯你的版權。 請來信指出,我們將于第一時間刪除! 所有資源均由免費公共網絡整理而來,僅供學習和研究使用。請勿公開發表或 用于商業用途和盈利用途。
本文鏈接:http://m.366700.com/ziyuan/25427.html
發表評論