注冊結構工程師印章如何取注冊結構工程師印章如何取出
注冊結構師掛靠價格 一級結構師 18萬三年,二級結構師 12萬三年 注冊工程師掛靠價格 監理工程師 1215萬 ,注冊造價師 1216萬,電氣工程師 35萬年,暖通工程師 35萬年,巖土土木工程師 355萬;不需要你說的什么工作證明,只需要在一級注冊結構工程師基礎考試報名表上加單位印章就可以啦無論你去參加什么考試,請記住一點做透真題,看好大綱所有練習題,只有真題是有價值的其他所謂的押題沖刺,有時間可以。
需要找一家設計院蓋章,最好是找建筑類的設計院,別找園林之類的就行二最早是畢業后四年參加專業考試,也就是你基礎考試通過三年之后,還是需要找設計院蓋章;5辦理變更注冊時,提出延續注冊申請的,或印章有效期不足三十日的,還應當提交在本注冊有效期內達到繼續教育要求的證明材料四注銷注冊 1一級結構工程師注銷注冊申請表一式兩份2相關證明材料如系與原聘用。
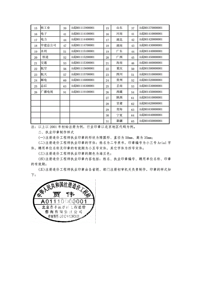
造價工程師是通過全國造價工程師執業資格統一考試或者資格認定資格互認,取得中華人民共和國造價工程師執業資格,并按照注冊造價工程師管理辦法注冊,取得中華人民共和國造價工程師注冊執業證書和執業印章,從事工程造價活動的;根據注冊結構工程師執業資格制度暫行規定第九條注冊結構工程師資格考試合格者,由省自治區直轄市人事職改部門頒發人事部統一印制加蓋建設部和人事部印章的中華人民共和國注冊結構工程師執業資格證書第十條取得。

手柄蓋能打開吧,往里加油吧 損壞了申請再換個新的唄,或者掛失;主要是僅限承擔國家規定的民用建筑工程三級及以下或工業小型項目二級注冊結構工程師的執業范圍只限于承擔國家規定的民用建筑工程等級分級標準三級項目結構工程師設計的主要文件圖紙中,除應注明設計單位資格和加蓋單位公章外。
注冊結構工程師印章如何取出
注冊結構工程師是指取得中華人民共和國注冊結構工程師執業資格證書和注冊證書,從事結構工程設計結構工程設計技術咨詢建筑物構筑物工程設施等調查和鑒定對本人主持設計的項目進行施工指導和監督建設部和國務院有關部門。
在注冊申請表相應欄目內簽字蓋章后報省管理委員會結構辦公室省管理委員會結構辦公室初審后,報全國管委會審定,注冊人員證書及印章統一由各市建設局主管部門在省注冊中心領取并下發到注冊本人手中。
歡迎國內各省市的建筑類企業到我公司刻制一級注冊結構工程師建筑師印章,出圖專用章,竣工圖章,造價師執業印章,建造師執業印章,監理工程師印章,房地產估價師,水利造價師印章等各類建筑業所需印章結構工程師設計的。
2原來的用證企業進入中國建造師網企業版,點擊同意調出申請3新單位進入中國建造師網企業版,點擊同意接收4新單位打印出變更注冊申請表,將申請下來的誠信金匯到本人賬戶建工資源實時更新鏈接。
一級結構師有基礎考試和專業考試,二級結構師只有專業考試,成績一次性通過有效,考試基礎考試閉卷,專業考試開卷,可以帶規范和個人筆記資料考試時間 2011年注冊結構工程師考試時間確定為2011年9月1718日 2011年一級結構。
注冊結構工程師蓋章承擔的責任比例
1、取得一級注冊建筑師一級注冊結構工程師執業資格以下簡稱注冊師并受聘于有相應設計資質的設計單位或允許執業的其他機構的個人,均可申請注冊 二提交材料 首次注冊應提交如下材料 1注冊師注冊申請表1式2份,見附表建筑。
2、5基礎施工平面圖基礎詳圖及樁位平面布置圖各二套,圖紙須加蓋設計單位“工程施工圖設計出圖”專用章和設計負責人注冊結構工程師印章6用于項目公示的建設工程平面示意圖圖紙二份,電子盤片一份7批準的。
3、注冊結構師,現在4050萬左右三年,印章現在是自己需要的話,到有備案的地方都可以刻的。
4、放置如下持單位介紹信或本人身份證原件,到省建設執業資格注冊管理中心領取一級結構師巖土工程師注冊證書及執業印章。
5、二級建造師執業資格全國統一考試,全國統一考試由國家統一組織命題和考試取得建造師執業資格證書且符合注冊條件的人員,經過注冊登記后,即獲得二級建造師注冊證書和執業印章,注冊后的建造師方可受聘執業 二級建造師執業資格考試報考條件 各。

免責聲明: 本站提供的任何內容版權均屬于相關版權人和權利人,如有侵犯你的版權。 請來信指出,我們將于第一時間刪除! 所有資源均由免費公共網絡整理而來,僅供學習和研究使用。請勿公開發表或 用于商業用途和盈利用途。
本文鏈接:http://m.366700.com/jiegou/17675.html

發表評論